

熱門搜索 : 注塑機 吹瓶機 快速注塑機 注吹專用注塑機 全自動注塑機 醫療器械高速專用注塑機 高速薄壁專用注塑機
塑機產品
PRODUCT
特點:
1.高響應功率匹配比例變量泵令液壓系統輸出與機器運行所需功率匹配,無高壓節流溢流能量損失,比定量泵機型節電25%~50%。
2.電木塑料專用設計料管組,采用高強度合金鋼經特殊加工處理,復合了具有高耐磨性能的雙合金材料,具有優異的耐腐蝕性及耐磨耗的特點。
3.料管運油冷卻裝置,保證溫度控制穩定精確。
4.根據電木注射成型特點,具有開模排氣功能。
5.更換料管組后可轉為熱塑性塑料注射成型機。
6.采用大一級預塑液壓馬達,提高了螺桿的扭力,實現高效優質塑化。
7.鎖模頭板及鎖模二板針對電木模具高溫的要求,特別設計隔熱板。
8.兩組模具溫度控制接口,采用電腦高精度控制。
9.采用高精度的電子尺實現位置控制,位置設定精度可達0.1mm。
10.自動調模功能,可直接輸入鎖模壓力,由電腦自動完成模厚調整工作。
參數:備注:本公司根據產品提升的需要,可對技術參數、部份元件配置及服務內容進行更改,恕不另行通知。
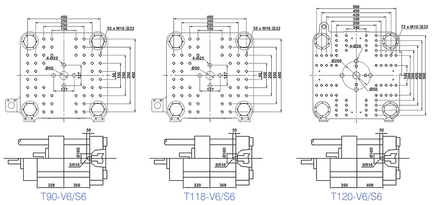
模板尺寸:
Copyrilght ? 廣東寶捷精密機械股份有限公司 版權所有
全國統一銷售熱線:+86-400 830 0005、+86-757-8669 7806
傳真:+86-757-8669 7861 郵箱:[email protected]
中國·廣東省佛山市三水區樂平鎮創新大道西5號
備案號:粵ICP備17036730號 中企動力提供網站建設